Nissan Micra (2002) - Reparaturanleitung: Schalttafeleinsatz zerlegen / instrumente ersetzen
Micra-generation I
- Schalttafeleinsatz ausbauen.
- Deckglas und obere gehäusehälfte nach lösen der halteklammern abnehmen.

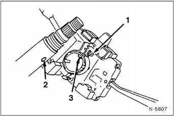
- Schrauben - 1 - lösen, um den tachometer auszubauen.
Muttern - 2 - zum ausbau des drehzahlmessers oder kühlmitteltemperaturanzeigers, - 3 - zum ausbau des kraftstoffstandanzeigers oder kühlmitteltemperaturanzeigers, je nach ausstattung, lösen.

- Instrumente herausnehmen. Der einbau erfolgt in umgekehrter reihenfolge, wie der ausbau.
Schalter für blinker/beleuchtung/wischer aus-und einbauen
Die genannten schalter sind sogenannte lenkstockschalter, sie können zum teil einzeln ausgebaut werden.
Ausbau
- Batterie-massekabel (-) von der batterie abklemmen.
Achtung: dadurch werden die elektronischen speicher gelöscht, wie zum beispiel der motorfehlerspeicher oder radiocode. Vor dem abklemmen der batterie sollten auch die hinweise im kapitel "batterie aus- und einbauen " durchgelesen werden.

- Verkleidung für lenksäule von unten abschrauben.
Micra-generation I:


- Soll die komplette schaltereinheit ausgebaut werden, schraubschelle - 1 - lösen und schalter auf der lenkspindel verdrehen, dabei gleitet die führungsnase - 3 - am schalter aus der bohrung - 2 - vorher lenkrad ausbauen, siehe.
Micra-generation II:

- Linker und rechter schalter können einzeln zur seite abgezogen werden, dabei haltezungen oben und unten zusammendrücken.
- Mehrfachstecker von der schaltereinheit abziehen.
- Soll die komplette schaltereinheit ausgebaut werden, beide schalter abziehen und 1 schraube lösen. Schaltereinheit von der lenkspindel abziehen. Vorher lenkrad ausbauen, siehe.
Einbau
- Mehrfachstecker verbinden.
- Lenkstockschalter aufschieben und anschrauben.
- Lenksäulenverkleidung anschrauben.
- Lenkrad einbauen.
- Batterie-massekabel ( - ) anklemmen.
- Zeituhr einstellen sowie, falls notwendig, diebstahlcode für das radio eingeben.
Ausbau
Batterie-massekabel (-) von der batterie abklemmen.
Achtung: dadurch werden die elektronischen speicher gelöscht, wie zum beispiel der motorfehlerspeicher oder radiocode. Vor ...
Radio im micra der generation II:
Verkleidung
anbauschraube
haltezungen
halterung
schraube
radio
antennenkabel
Achtung: im handel sind radios ...
Andere Materialien:
Gilt für: Fahrzeuge mit Einparkhilfe hinten/Einparkhilfe plus/ Rückfahrkamera/Umgebungskameras/Parkassistent
Je nach Fahrzeugausstattung werden Sie durch verschiedene Einparkhilfen beim
Einparken und Rangieren unterstützt.
Die Einparkhilfe hinten ist eine akustische
Einparkhilfe, die Sie vor Hindernissen hinter dem Fahrzeug warnt ".
EinführungGilt für: Fahrzeuge mit Rückfahrkamera
Abb. 186 Prinzipdarstellung: Hilfslinien beim
Einparken
Die Rückfahrkamera unterstützt Sie mit eingeblendeten Hilfslinien beim Einparken
oder Rangieren.
Allgemeine HinweiseGilt für: Fahrzeuge mit Rückfahrkamera
Abb.
Abb. 91 Dach: Befestigungspunkte für den Dachgepäckträger
► Um die Klappe über den Befestigungspunkten zu öffnen, drücken Sie die Klappe
im vorderen Bereich nach unten.
Wenn Gepäck oder Ladegut auf dem Dach transportiert werden soll, ist folgendes
zu beachten:
Es dürfen nur auf Ihr Fahrzeug abgestimmte Dachgepäckträger verwendet werden.