Nissan Micra (2002) - Reparaturanleitung: Einzelschaltpläne
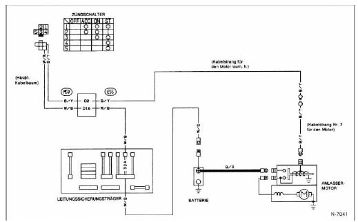
Anlasseranlage

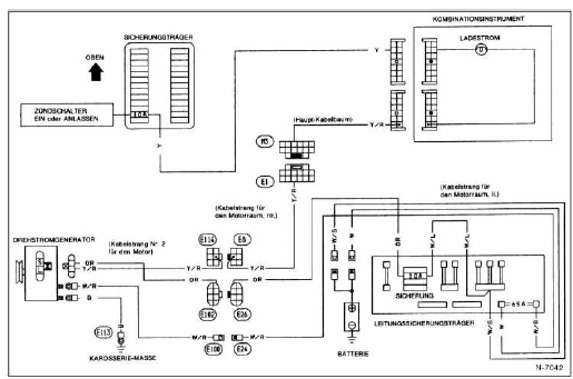
Ladestromanlage

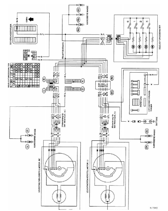
Scheinwerfer - leuchtweiten-versteilvorrichtung

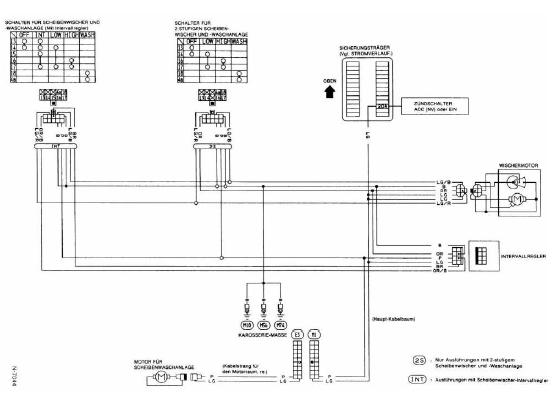
Scheibenwischer und scheibenwaschanlage

Micra-generation II
Kabelstrang:
hintere rechte seitentür
innenleuchte
beifahrertür
E.F.I.-Benzineinspritzung
motorraum rechts
motor
motorraum li ...
Andere Materialien:
Gilt für: Fahrzeuge mit Plug-in-Hybrid-Antrieb
Was Sie bei einem Fahrzeugtransport beachten müssen.
Das in Ihrem Fahrzeug verbaute Lithium-Ionen-Hochvoltbatteriesystem hat den Test
38.3 gemäß dem UN Handbuch Tests und Kriterien bestanden. Das Fahrzeug darf mit
eingebauter
Hochvoltbatterie als reguläres Gefahrgut der Klasse 9 ohne zusätzliche behördliche
Genehmigung per Luft- und Seetransport befördert werden (Rechtsstand ICAO-TI und
IMDG-Code 01.
WarndreieckGilt für: Fahrzeuge mit Warndreieck
Abb. 363 Gepäckraumklappe: Warndreieck
Das werkseitig gelieferte Warndreieck befindet sich in der Gepäckraumklappe.
► Zum Öffnen der Abdeckung drehen Sie den Drehverschluss Abb. 363 und klappen
die Abdeckung nach unten.
Eigenes Fahrzeug abschleppen
Abdeckkappe unten ausrasten und nach unten abnehmen.
Die Abschleppöse
befindet sich beim Wagenwerkzeug.
Abschleppöse bis zum Anschlag in waagrechter Stellung einschrauben.
Abschleppseil - besser Abschleppstange - an der Abschleppöse befestigen.