Nissan Micra (2002) - Reparaturanleitung: Generator aus- und einbauen
Ausbau
- Batterie-massekabel (-) von der batterie abklemmen.
Achtung: dadurch werden die elektronischen speicher
gelöscht, wie zum beispiel der motorfehlerspeicher oder
radiocode. Vor dem abklemmen der batterie sollten
auch die hinweise im kapitel "batterie aus- und einbauen
" durchgelesen werden.

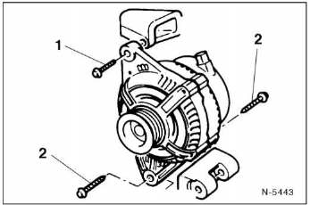
- Mehrfachstecker - 1 - hinten am generator abziehen und
hauptstromkabel - 2 - (von klemme b) abschrauben. Die
abbildung zeigt den generator im micra der ii. Generation.
- Keilriemen ausbauen.

- Schrauben am generator-lagerbock - 2 - sowie am
spannbügel - 1 - herausnehmen und generator nach
oben abnehmen. Bei keilriemen-ausführung mit spannrolle
ist auch an stelle - 1 - ein starrer lagerbock vorhanden.
Einbau
Je nach modell und ausstattung können generatoren unterschiedlicher
fabrikate mit leistungen von 35 bis 65 watt eingebaut
sein. Die leistung steht auf dem typschild am generator.
Achtung: we ...
Die kohlebürsten des generators verschleißen recht langsam; im schnitt sind sie nach etwa 120.000 Km abgenutzt.
Es empfiehlt sich, die kohlebürsten vorsorglich etwas früher auszu ...
Andere Materialien:
Einfahren
Während der ersten Fahrten unnötig scharfes Bremsen vermeiden.
Bei der
ersten Fahrt kann es zu einer Rauchentwicklung kommen, wenn Wachs und Öl
an der Abgasanlage verdampfen. Nach der ersten Fahrt das Fahrzeug eine
Weile im Freien abstellen.
Tasten, Anschlüsse, EigenschaftenGilt für: Fahrzeuge mit Audi tablet
Abb. 292 Übersicht Audi tablet
Anschlüsse und Tasten
Ein-/Aus-Taste
Lautstärke-Taste (leiser/stumm)
Lautstärke-Taste (lauter)
Kopfhöreranschluss (3,5-mm-Klinkenbuchse)
Micro-USB-Anschluss
Micro-SD-Kartenleser
Audi tablet Display
Status-LED
NFC-Zone
Lautsprecher
Mikrofon
Kamera
Micro-SD-Karte einlegen/entnehmenGilt für: Fahrzeuge mit Audi tablet
Abb.
BedienungGilt für: Fahrzeuge mit Komfortklimaautomatik 2-Zonen
Abb. 92 Komfortklimaautomatik 2-Zonen: Bedienelemente
Die Funktionen werden durch Drücken der Tasten bzw. Drehregler ein-/ausgeschaltet.
Die LED in der jeweiligen Taste bzw. dem jeweiligen Drehregler leuchtet bei eingeschalteter
Funktion.