Nissan Micra (2002) - Reparaturanleitung: Prüfen

- Kabel der erregerwicklung von klemme m abklemmen.
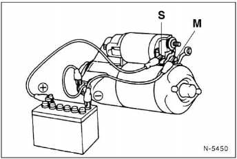
- Magnetschalter mit starthilfekabeln entsprechend der abbildung
an die batterie anschließen. Und zwar das massekabel
(-) an die klemme m und an das gehäuse des
magnetschalters oder anlassers anschließen. Das pluskabel
(+) an klemme s anschließen. Das anlasserritzel
muß nach vorne schnellen. Achtung: die kabel dürfen
nur maximal 10 sekunden angeschlossen bleiben, sonst brennt die wicklung des
magnetschalters durch. Nach einer
kurzen pause kann der vorgang wiederholt werden.
- Massekabel von klemme m trennen, gleichzeitig bleibt
das massekabel am gehäuse angeschlossen. Das anlasserritzel
muß ausgerückt bleiben, sonst magnetschalter
ersetzen.

- Ritzelspalt bei ausgerücktem ritzel messen. Sollwert
maß - 1 - : fahrzeuge der micra-generation i: 0,5 - 2,0
mm; micra-generation ii: max. 0,6 Mm. Falls der ritzelspalt
nicht dem sollwert entspricht, magnetschalter
ausbauen und die anzahl der beilegscheiben zwischen
vorderer halterung und magnetschalter erhöhen oder
verringern.
- Massekabel am anlassergehäuse abklemmen, das ritzel
muß zurückgezogen werden, sonst ersetzen.
Ausbau

- 2 Befestigungsschrauben und mutter für kabelklemme m
abschrauben.
- Magnetschalter mit unterlegscheiben abnehmen.
Achtung: falls das ritzelspaltmaß nicht innerhalb des sollwertes
liegt, die anzahl der beilegscheiben zwischen magnetschalter
und vorderer halterung erhöhen oder verringern,
um das spaltmaß einzustellen. Der spalt wird kleiner,
wenn die zahl der beilegscheiben erhöht wird.
Widerstandsprüfung

- Ohmmeter an klemme s und masse (gehäuse) anschließen.
Wenn der widerstand fl beträgt, magnetschalter
ersetzen.
- Ohmmeter an klemme s und klemme m anschließen.
Wenn der widerstand cl beträgt, magnetschalter ersetzen.
- Ohmmeter an klemme m und klemme b anschließen.
Wenn der widerstand 0 fl beträgt, magnetschalter ersetzen.
Einbau
- Magnetschalter mit unterlegscheiben ansetzen, am anlasser
einsetzen und ganz leicht anschrauben (5 nm).
- Anlasser einbauen.
Störungsdiagnose anlasser
Wenn ein anlasser nicht durchdreht, ist zunächst zu prüfen,
ob an der klemme s des magnetschalters die zum einziehen
benötigte spannung von mindestens 8 volt vorhanden ist.
Liegt die spannung unter dem genannten wert, dann müssen
die leitungen, die zum anlasserstromkreis gehören,
nach dem stromlaufplan überprüft werden. Ob der anlasser
bei voller batteriespannung einzieht, kann folgendermaßen
geprüft werden:
- keinen gang einlegen, zündung eingeschaltet.
- Mit einer leitung (querschnitt mindestens 4 mm2) die
klemmen b und s am anlasser überbrücken auch
kapitel "magnetschalter prüfen".
Spurt der anlasser dabei einwandfrei ein, so liegt der fehler
in der leitungsführung zum anlasser. Andernfalls anlasser in
ausgebautem zustand überprüfen.
Prüfvoraussetzung: leitungsanschlüsse müssen festsitzen
und dürfen nicht oxydiert sein.
|
Störung |
Ursache |
Abhilfe |
| Anlasser dreht sich nicht beim betätigen des
Zündanlaßschalters |
Batterie entladen |
|
| Klemmen b und s am anlasser überbrücken: anlasser läuft
an. Leitung s zum zündanlaßschalter unterbrochen,
anlaßschalter defekt |
- Unterbrechung beseitigen, defekte teile ersetzen
|
| Kabel oder masseanschluß ist unterbrochen. Batterie entladen |
- Batteriekabel und anschlüsse prüfen. Spannung der batterie
messen, ggf. Laden
|
| Ungenügender stromdurchgang infolge lockerer oder oxydierter
anschlüsse |
- Batteriepole und -klemmen reinigen. Stromsichere verbindungen
zwischen
batterie, anlasser und masse herstellen
|
| Keine spannung an klemme s (Magnetschalter) |
- Leitung unterbrochen Zündanlaßschalter defekt
|
| Starterrelais defekt |
- Relais prüfen, ggf. Auswechseln
|
| Anlasser dreht sich zu langsam und zieht den motor nicht
durch |
Batterie entladen |
|
| Kein winteröl bzw. Mehrbereichsöl im motor |
|
| Ungenügender stromdurchgang infolge lockerer oder oxydierter
anschlüsse |
- Batteriepole und -klemmen und anschlüsse am anlasser reinigen,
anschlüsse festziehen
|
| Kohlebürsten liegen nicht auf dem kollektor auf, klemmen in ihren
führungen, sind abgenutzt, gebrochen, verölt oder verschmutzt |
- Kohlebürsten überprüfen, reinigen bzw. auswechseln. Führungen
prüfen
|
| Ungenügender abstand zwischen Kohlebürsten und kollektor |
- Kohlebürsten ersetzen und führungen für Kohlebürsten reinigen
|
| Kollektor riefig oder verbrannt und verschmutzt |
- Kollektor abdrehen oder anker ersetzen
|
| Spannung an klemme s fehlt (mind. 8 Volt) |
- Zündanlaßschalter oder magnetschalter überprüfen
|
| Magnetschalter defekt |
|
| Anlasser spurt ein und zieht an, motor dreht nicht oder
nur |
Ritzelgetriebe defekt |
|
| Ritzel verschmutzt |
|
| Zahnkranz am schwungrad defekt |
- Zahnkranz nacharbeiten, falls erforderlich,
schwungrad erneuern
|
| Ritzelgetriebe spurt nicht aus |
Ritzelgetriebe oder steilgewinde verschmutzt bzw. Beschädigt |
- Ritzelgetriebe reinigen, ggf. Ersetzen
|
| Magnetschalter defekt |
|
| Rückzugfeder schwach oder gebrochen |
|
| Anlasser läuft weiter, nachdem der zündschlüssel
losgelassen wurde |
Magnetschalter hängt, schaltet nicht ab |
- Zündung sofort ausschalten, magnetschalter ersetzen
|
| Zündschloß schaltet nicht ab |
- Sofort batterie abklemmen, Zündschloß ersetzen
|
Achtung: fahrzeuge mit automatikgetriebe haben andere
anlasser als mit schaltgetriebe. Sie sind nicht untereinander
austauschbar.
Ausbau
Batterie-massekabel (-) von der batterie abklemmen.
Ac ...
Zur beleuchtungsanlage zählen: hauptscheinwerfer, heckleuchten,
bremsleuchten, rückfahrscheinwerfer, blinkleuchten,
nebelschlußleuchten, kennzeichenleuchten und innenleuchten.
Die ...
Andere Materialien:
Ausrückhebel
rückstellfeder
ausrückgabel
haltestifte
lagerhalter auf einbaurichtung des lagerhalters achten.
Ausrücklager mit mos2-fett schmieren. Nicht mit lösungsmittel reinigen, nur mit einem sauberen lappen abwischen.
Zum Bergen/Rongieren muss die Parksperre notentriegelt werden.
Abb. 110 Fußraum Fahrerseite: Parksperre notentriegeln
Die Notentriegelung befindet sich unter der Fußmatte auf der Fahrerseite.
Parksperre notentriegeln
► Um Ihr Fahrzeug gegen ein unbeabsichtigtes Wegrollen zu sichern, schließen
Sie die Parkbremse oder treten Sie das Bremspedal.
Hinweis: in diesem band werden 2 micra-generationen
behandelt. Die micra-generation i kam im märz
'83 in deutschland auf den markt. Im januar '93 wurde
die micra-generation ii eingeführt.
Zur kraftstoffanlage gehören der kraftstoffbehälter, der
tankgeber, die kraftstoffleitungen, der kraftstoffilter, die
kraftstoffpumpe und der vergaser beziehungsweise die
kraftstoffeinspritzanlage mit dem dazugehörigen luftfilter.