Nissan Micra (2002) - Reparaturanleitung: Kraftstoffdruck abbauen
Hinweis: in diesem band werden 2 micra-generationen
behandelt. Die micra-generation i kam im märz
'83 in deutschland auf den markt. Im januar '93 wurde
die micra-generation ii eingeführt.
Zur kraftstoffanlage gehören der kraftstoffbehälter, der
tankgeber, die kraftstoffleitungen, der kraftstoffilter, die
kraftstoffpumpe und der vergaser beziehungsweise die
kraftstoffeinspritzanlage mit dem dazugehörigen luftfilter.
Micra-generation II
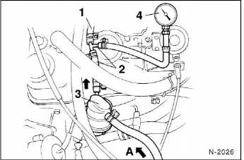
Die kraftstoffanlage des einspritzmotors steht auch bei abgestelltem
motor noch unter hohem druck. Bevor kraftstoffleitungen
abgezogen werden, muß daher aus sicherheitsgründen
der kraftstoffdruck im system abgebaut werden.
Sauberkeitsregeln bei arbeiten
an der kraftstoffversorgung
Bei arbeiten an der kraftstoffversorgung sind die folgenden
regeln zur sauberkeit sorgfältig zu beachten:
- verbindungsstellen und deren umgebung vor dem lösen
gründlich reinigen.
- Ausgebaute teile auf einer sauberen unterlage ablegen
und abdecken. Folien oder papier verwenden. Keine fasernden
lappen benutzen!
- Geöffnete bauteile sorgfältig mit einem sauberen lappen
abdecken bzw. Verschließen, wenn die reparatur nicht
umgehend ausgeführt wird.
- Nur saubere teile einbauen.
- Ersatzteile erst unmittelbar vor dem einbau aus der verpackung
nehmen.
- Keine teile verwenden, die unverpackt (z. B. In werkzeugkästen
usw.) Aufgehoben wurden.
- Bei geöffneter kraftstoffanlage möglichst nicht mit druckluft
arbeiten. Das fahrzeug sollte möglichst nicht bewegt
werden.
Kraftstoffbehälter/tankgeber
Micra-generation I

Micra-generation II
Kraftstoffpumpe/tankgeber
Micra-generation II

- Halteband für kraftstoffbehälter
- tankverschlußdeckel
- einfüllstutzen
- stützblech
- belüftungsschlauch
- sicherheitsventil
- entlüftungsschlauch
- förderschlauch
- rücklaufschlauch
- hitzeschutzblech
- kraftstoffbehälter (tank)
- tankgeber
Micra-generation I

- Sicherungsblech
- tankgeber
- o-ring
- kraftstoffbehälter (tank)
- tankverschlußdeckel
- einfüllstutzen
- belüftungsschlauch
- einfülischlauch
- ablaßschraube
- sicherheitsventil
- förderleitung
- rücklaufleitung
Die kraftstoffpumpe des einspritzmotors ist zusammen mit dem tankgeber von oben in den kraftstoffbehälter (tank) eingebaut. Beim vergasermotor befindet sich an dieser stelle nur der tankgeber, di ...
Andere Materialien:
Sendefunkgeräte
Für den Betrieb von Funkgeräten im Fahrzeug ist eine Außenantenne erforderlich.
Nur mit einer Außenantenne wird die optimale Reichweite der Geräte erreicht.
Der nachträgliche Einbau von Sendefunkgeräten in das Fahrzeug ist generell genehmigungspflichtig
und kann Auswirkungen auf die Fahrzeug-Typgenehmigung haben.
Will man einen fehler in der elektrischen anlage aufspüren
oder nachträglich ein elektrisches zubehör montieren,
kommt man nicht ohne schaltplan aus, anhand dessen der
stromverlauf und damit die kabelverbindungen aufgezeigt
werden. Grundsätzlich muß der betreffende stromkreis geschlossen
sein, sonst kann der elektrische strom nicht
fließen.
Abb. 19 Schlüsselsatz Ihres Fahrzeugs
Funkschlüssel mit integriertem Notschlüssel
Mit dem Funkschlüssel können Sie Ihr Fahrzeug ent-/verriegeln. In den Funkschlüssel
ist ein Notschlüssel integriert.
Schlüsselanhänger mit Fahrzeug Code
Gilt für: Fahrzeuge mit Audi connect Fahrzeugsteuerung
Öffnen Sie den Schlüsselanhänger und rubbeln Sie den Fahrzeug Code frei.