Nissan Micra (2002) - Reparaturanleitung: Die motorlagerung
Micra-generation II

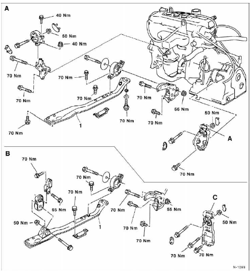
A - automatikgetriebe B - schaltgetriebe
B -1,0-l-motor
1 - mittlerer träger
Steuerkettentrieb
Micra-generation II

- Kettenspanner
- nockenwellenrad (einlaß)
- nockenwellenrad (auslaß)
- zwischenradwelle
- zwischenrad
- untere steuerkette
- obere steuerkette
- o-ringe (immer ersetzen)
- unterer kettenspanner
- kurbelwellenrad
- distanzstück für ölpumpenantrieb
- steuergehäusedeckel
- wellendichtring (immer ersetzen)
- kurbelwellen-riemenscheibe
Achtung: der kältemittelkreislauf der klimaanlage darf
nicht geöffnet werden. Das kältemittel enthält stoffe, die
bei hautkontakt zu erfrierungen führen können. Der mot ...
Andere Materialien:
Gilt für: Fahrzeuge mit Anhängerassistenten
Abb. 178 Infotainment: Anhänger anlernen
Abb. 179 Infotainment: Anhängerassistenten
bedienen
Anhänger anlernen
Damit der Anhängerassistent verwendet werden kann, werden die Anhängereigenschaften
automatisch während der Fahrt ermittelt.
Richtige Sitzposition des FahrersDie richtige Sitzposition des Fahrers ist wichtig für ein sicheres Fahren.
Abb. 313. Richtige Sitzposition
Zu Ihrer eigenen Sicherheit und um die Verletzungsgefahr im Falle eines Unfalles
zu verringern, empfehlen wir für den Fahrer die folgende Einstellung:
â–º Stellen Sie den Fahrersitz und das Lenkrad so ein, dass mindestens 25 cm Platz
zwischen Ihrem Brustkorb und der Lenkradmitte ist Abb.
App Klang aufrufenKlangbild und Lautstärke können individuell eingestellt werden. Die Einstellungen
sind abhängig von der Fahrzeugausstattung.
► Wählen Sie: Taste > Klang.
Equalizer auf Werkseinstellungen zurücksetzen
Tippen Sie auf die Taste ,
Höhen / Bässe
Ziehen Sie den Schieberegler nach rechts/links, o um die Höhen
und Bässe einzustellen.