Nissan Micra (2002) - Reparaturanleitung: Micra-generation II
Zum ausbau des zylinderkopfes muß der motor mindestens
auf raumtemperatur abgekühlt sein. Abgas- und ansaugkrümmer
bleiben angeschlossen.
Eine defekte zylinderkopfdichtung ist an einem oder mehreren
der folgenden merkmale erkennbar:
- Leistungsverlust.
- Kühlflüssigkeitsverlust. Weiße abgaswolken bei warmem
motor.
- Ölverlust.
- Kühlflüssigkeit im motoröl, ölstand nimmt nicht ab, sondern
zu. Graue farbe des motoröls, schaumbläschen am
peilstab, öl dünnflüssig.
- Motoröl in der kühlflüssigkeit.
- Kühlflüssigkeit sprudelt stark.
- Keine kompression auf 2 benachbarten zylindern.

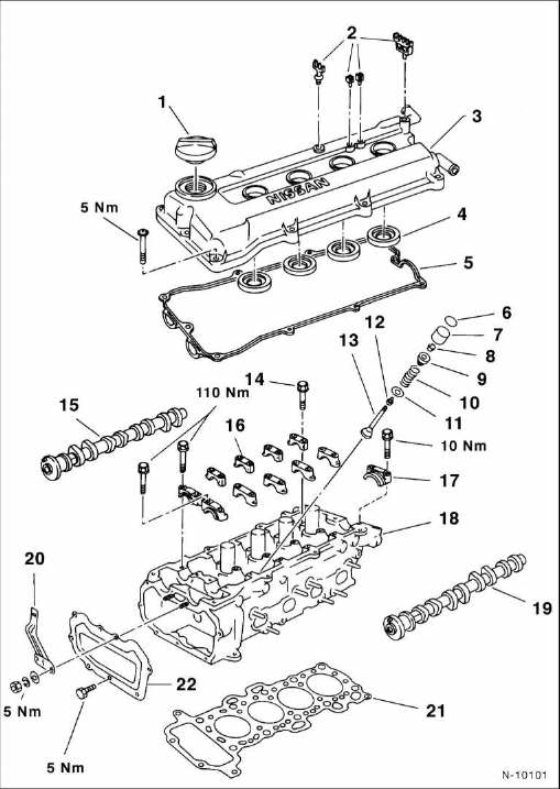
- Verschlußdeckel öleinfüllstutzen
- kabelhalter
- zylinderkopfdeckel
- dichtring
immer ersetzen.
- Dichtung für zylinderkopfdeckel
beim einbau flüssiges dichtmittel,
z. B. Curil, an den halbkreisförmigen
rundungen auftragen.
- Einstellscheibe
- ventilstößel
- kegelstücke
- ventilfederteller
- ventilfeder
- ventilfedersitz
- ventilschaftabdichtung
- ventil
- zylinderkopfschraube
- einlaßnockenwelle
- nockenwellenlagerdeckel
- zündverteiler-anbaukonsole
beim einbau flüssiges dichtmittel
auftragen.
- Zylinderkopf
- auslaßnockenwelle
- halterung
- zyiinderkopfdichtung
immer ersetzen.
- Stirndeckeldichtung
Achtung: nach abnehmen der steuerkette dürfen kurbelwelle
und nockenwelle nicht einzeln für sich gedreht werden,
da die ventile sonst auf die kolbenböden aufschlagen.
Batter ...
Andere Materialien:
Dachlast
Die maximal zulässige Dachlast beträgt 100 kg.
Leergewicht, Gesamtgewicht, Achslasten
Das Fahrzeugleergewicht mit Fahrer (75 kg) wurde nach der Verordnung (EU) 1230/2012
ermittelt. Durch Sonderausstattungen kann sich das Leergewicht erhöhen, wodurch
die mögliche Nutzlast entsprechend verringert wird.
Achtung: fahrzeuge mit automatikgetriebe haben andere
anlasser als mit schaltgetriebe. Sie sind nicht untereinander
austauschbar.
Ausbau
Batterie-massekabel (-) von der batterie abklemmen.
Achtung: dadurch werden die elektronischen speicher
gelöscht, wie zum beispiel der motorfehlerspeicher oder
radiocode.
Gilt für: Fahrzeuge mit Plug-in-Hybrid-Antrieb
Abb. 130 Ladesystem: Bedieneinheit
Abb. 131 Fahrzeughinten links: Fahrzeugladean-schluss
und Tastenmodul
Taste /LED
Anzeigefeld
Pfeiltasten
Taste
Taste Lade-Timer
Zustands-LED
Taste Sofortladen
Die Bedeutung der verschiedenen Zustandsanzei-gen des Ladesystems und des Fahrzeugs
entnehmen Sie «, Zustandsonzeigen.