Nissan Micra (2002) - Reparaturanleitung: Zustand des zahnriemens prüfen
- Falls folgende mängel festgestellt werden, zahnriemen
grundsätzlich ersetzen:
- kühlflüssigkeit oder motoröl auf dem zahnriemen. Ursache
dafür sind in der regel undichte wellendichtringe
von steuergehäuse oder nockenwelle oder eine undichte
kühlmittelpumpe.
- Verhärteter gummi auf der riemenaußenseite. Der riemen
ist dann glänzend, unelastisch und so hart, daß bei
fest angedrücktem fingernagel kein abdruck hinterlassen
wird.
- Risse im gummi auf der außenseite. Möglicherweise verursacht
durch festgehenden riemenspanner oder überhitzung
des motors.
- Risse oder abgelöstes gewebe auf der innenseite.
- Risse am zahnfuß. Möglicherweise verursacht durch
schwergängige nockenwelle oder zündverteiler.
- Risse an der schmalen riemenseite.
- Schmale riemenseite stark abgenutzt.
- Stark abgenutzte zähne. Gewebe der belasteten zahnseite
abgenutzt, ausgefranst, gummi abgeblättert, farbe
auf weiß geändert. Zahnbreite reduziert.
- Ausgebrochene zähne.
Einbau
- Riemenspanner auf rostansatz, rißbildungen und leichten
lauf prüfen.
- Kühlmittelpumpe auf leichten lauf prüfen.


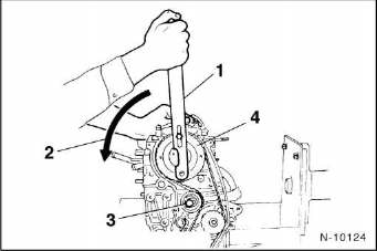
- Nockenwellenrad - 4 - mit nockenwellenradschlüssel - 1 -
um 2 umdrehungen gegen den uhrzeigersinn drehen
- 2 - dadurch bringt der riemenspanner den zahnriemen
auf die richtige vorspannung.
- Kiemmutter - 3 - an der spannrolle mit 15 nm festziehen,
dabei spannrolle mit schraubendreher gegenhalten,
sonst kann sich die zahnriemenspannung verringern.
- Ot-stellung von nocken- und kurbelwelle nochmals prüfen.
Sämtliche ot-markierungen müssen bei gespanntem
zahnriemen gleichzeitig übereinstimmen,
gegebenenfalls zahnriemen wieder abnehmen und einstellung
wiederholen.
- Spannung des zahnriemens prüfen: mit dem daumen
zwischen nockenwellenrad und kühlmittelpumpenrad gegen
den zahnriemen drücken (0,5 bis 0,6 kg), dabei soll
sich der zahnriemen ca. 2 Mm durchbiegen.
- Untere und obere zahnriemenabdeckung mit 5 nm anschrauben.
Dabei richtige lage der dichtungen beachten,
siehe unter "zylinderkopf einbauen".
- Rechte motor-einbauhalterung mit 45 nm anschrauben.
Wagenheber unter der ölwanne herausnehmen.
- Kurbelwellen-riemenscheibe mit zentralschraube und 85
nm festschrauben. Zum arretieren der kurbelwelle 1.
Gang einlegen und fußbremse treten.
- Keilriemen einbauen.
- Abdeckungen im rechten radhaus wieder anschrauben.
- Vorderrad anschrauben, dabei auf markierung zur
radnabe achten. Fahrzeug ablassen und radmuttern mit
100 nm über kreuz festziehen.
- Batterie-massekabel (-) anklemmen.
- Falls vorhanden, zeituhr einstellen sowie diebstahlsicherheitscode
für das radio eingeben.
- Zündzeitpunkt prüfen, gegebenenfalls einstellen.
Micra-generation I
Ausbau
Batterie-massekabel (-) von der batterie abklemmen.
Achtung: dadurch werden die elektronischen speicher
gelöscht, wie zum beispiel der der radiocode. Vor dem
...
Micra-generation I
Öleinfüll-verschlußdeckel
zylinderkopfdeckel
zylinderkopfdeckeldichtung
immer ersetzen.
Kipphebel-federblech
sicherungsblech
immer er ...
Andere Materialien:
App Fahrzeuginfo aufrufenMit der Audi App Fahrzeuginfo können verschiedene Fohrzeuginformotionen
aufgerufen werden.
Abb. 302 Beispiel eines Menüpunkts
► Wählen Sie: Taste > Fahrzeug.
Abhängig von der Fahrzeugausstattung werden folgende Menüpunkte angezeigt:
Der ausgewählte Menüpunkt ist jeweils rot umrandet
Abb.
Gilt für: Fahrzeuge mit Schlüsselschalter Beifahrer-Airbag
Ein abgeschalteter Airbog sollte so bald wie möglich wieder eingeschaltet
werden, damit er wieder seine Schutzfunktion erfüllen kann.
Abb. 345 Handschuhfach: Schlüsselschalter zur Abschaltung des Beifahrer-Airbags
Abb.
Gilt für: Fahrzeuge mit Audi adaptive cruise control
Abb. 149 Bedienhebel: ein-/ausschalten
Abb. 150 Kombiinstrument: Adaptive cruise
control
Sie können jede Geschwindigkeit zwischen 30 und 250 km/h 1) (motorabhängig) einstellen.
Kontrollleuchten und Fahrerhinweise im Display des Kombiinstruments informieren
Sie über die jeweilige Fahrsituation und Einstellung.