Nissan Micra (2002) - Reparaturanleitung: Der kühlmittelkreislaufDas kühlsystem besteht im wesentlichen aus dem kühler, der kühlmittelpumpe, dem thermostat und einem elektrisch angetriebenen lütter.
Der kühlmittelkreislauf wird thermostatisch geregelt. Solange der motor kalt ist, zirkuliert das kühlmittel nur im motorblock und im wärmetauscher der heizung. Mit zunehmender erwärmung der kühlflüssigkeit öffnet sich der thermostat und leitet das kühlmittel durch den kühler. Das kühlmittel wird von der kühlmittelpumpe bewegt, die durch einen keil- oder zahnriemen angetrieben wird. Die kühlflüssigkeit durchströmt den kühler von oben nach unten und wird dabei durch den an den kühlrippen vorbeistreichenden fahrtwind abgekühlt.
Ein elektrisch angetriebener lüfter sorgt für zusätzliche kühlung.
Sobald die kühlmitteltemperatur auf +90 bis +97 c steigt, wird der lüfter durch einen thermoschalter (micrageneration i) oder durch das motor-steuergerät (micra-generation ii) zugeschaltet. Sinkt die kühlmitteltemperatur, schaltet der lüfter selbsttätig wieder aus.

Der ausgleichbehälter dient als vorratsbehälter für die kühlflüssigkeit und fängt die sich bei der erwärmung ausdehnende kühlflüssigkeit auf und gibt sie nach dem abkühlen des motors wieder in den kühlkreislauf zurück. Dadurch ist dieser stets gefüllt und sorgt für eine gute kühlung. Nachgefüllt wird das kühlmittel über den ausgleichbehälter.
Warnhinweis: der kühler-lüfter kann auch bei abgestelltem motor und eingeschalteter zündung (zündschlüssel in stellung "on" oder "acc") selbsttätig anlaufen. Hervorgerufen durch die stauwärme im motorraum kann dies auch mehrmals hintereinander geschehen. Bei arbeiten im motorraum und warmem motor muß deshalb immer mit einem plötzlichen einschalten des lüfters gerechnet werden. Darum nach möglichkeit bei arbeiten im motorraum die zündung immer ausschalten.
Inhalt des kühlsystems
1,0-L-motor '83 - '88 4,0 I 1,2-l-motor '89 - '92 4,7 I benzinmotor '93 - '02 4,1 I dieselmotor '98 - '02 6,25 I
Micra-generation II
Hinweis: in diesem band werden 2 micra-generationen behandelt. Die micra-generation i kam im märz '83 in deutschland auf den markt. Im januar '93 wurde die micrageneration ii eingeführt.
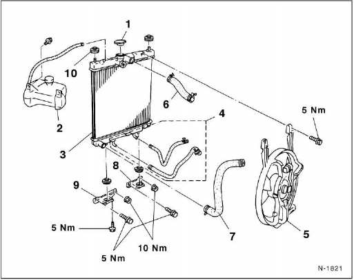
Der kühler
Micra-generation II


Motor-kühlung
Kühlmittel wechseln