Nissan Micra (2002) - Reparaturanleitung: Vergaser aus- und einbauen
Achtung: beim ausbau des vergasers kann etwas kraftstoff
austreten. Kraftstoffdämpfe sind giftig und feuergefährlich,
deshalb auf besonders gute belüftung des arbeitsplatzes
achten. Hautkontakt mit kraftstoff vermeiden. Kraftstoffbeständige
handschuhe tragen. Kein offenes feuer, brandgefahr!
Ausbau
- Batterie-massekabel (-) von der batterie abklemmen.
Achtung: dadurch werden die elektronischen speicher
gelöscht, wie zum beispiel der radiocode. Vor dem abklemmen
der batterie sollten auch die hinweise im kapitel
"batterie aus- und einbauen" durchgelesen werden.
- Luftfilter ausbauen.
- Kraftstoff-zulaufleitung und, falls vorhanden, rücklaufleitung
am vergaser abziehen und verschließen, vorher
schelle lösen und zurückschieben. Zum verschließen der
leitung kann eine saubere schraube mit entsprechendem
durchmesser in den schlauch gesteckt werden.
Zum leichteren einbau, kraftstoffschläuche vorher mit
tesaband markieren.
- Unterdruckschläuche am vergasergehäuse mit klebeband
kennzeichnen und abziehen.
- Gaszug am vergaser aushängen und vom widerlager
abschrauben. Achtung: der gaszug darf nicht geknickt
werden, sonst bricht er im späteren fahrbetrieb. Geknickten
seilzug auf jeden fall ersetzen.
- Elektrische anschlüsse mit klebeband kennzeichnen und
abziehen.

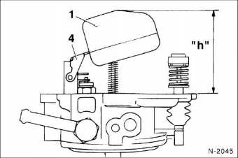
- Befestigungsmuttern - 2 - für vergaser abschrauben und
vergaser - 1 - vom ansaugkrümmer - 4 - abheben.
- Stecker für gemischvorwärmung vom isolator - 3 - abziehen
und isolator abnehmen. 5 = Dichtungen für ansaugkrümmer
(falls ausgebaut, immer ersetzen).
- Ansaugkrümmer mit sauberem lappen abdecken, damit
kein schmutz hineinfallen kann.
Einbau
Schwimmerstand prüfen/einstellen
Prüfen
- Fahrzeug auf einer waagerechten fläche abstellen und
motor im leerlauf laufen lassen.

Einstellen
- Vergaser-oberteil ausbauen.

- Vergaser-oberteil um 180 drehen (auf den kopf stellen).
- Schwimmer - 1 - anheben und danach absenken, bis der
schwimmernadelsitz - 2 - mit dem nadelventil - 3 - in
berührung kommt. In dieser stellung abstand "h" messen,
sollwerte siehe.
- Falls erforderlich, schwimmernadelsitz durch verbiegen
einstellen. Dabei darauf achten, daß das nadelventil auf
dem schwimmersitz einwandfrei gleitet. Schwimmersitz
vorsichtig verbiegen, nicht knicken.

- Schwimmer - 1 - anheben, bis der schwimmeranschlag
- 4 - das vergaser-oberteil berührt und die höhe "h"
messen, sollwerte siehe.
- Falls erforderlich, schwimmeranschlag durch verbiegen
einstellen.
- Vergaser-oberteil mit neuer dichtung ansetzen und mit 5
nm festschrauben.
Da sich der co-gehalt und die leerlaufdrehzahl wechselseitig beeinflussen, müssen beide gleichzeitig kontrolliert und eingestellt werden.
Achtung: während der prüfung bzw. Einstellung ...
Wenn der kalte motor schlecht anspringt oder in der kaltlaufphase
das gas schlecht annimmt, ist die kaltstartautomatik
zu prüfen.
Prüfen
Prüfvorraussetzung: der motor ist mindestens ...
Andere Materialien:
Driver Information Center
Das Driver Information Center (DIC) befindet sich im Instrument zwischen
dem Tachometer und dem Drehzahlmesser.
Es steht als Midlevel-Display,
Uplevel-Display oder Uplevel- Kombi-Display zur Verfügung.
Im Midlevel-Display werden angezeigt:
Gesamtkilometerstand
Tageskilometerzähler
bestimmte Kontrollleuchten
Fahrzeuginformationen
Informationen des Bordcomputers
Fahrzeugmeldungen in Form von Codezahlen
Im Uplevel-Display können durch Drücken von MENU am Blinkerhebel
folgende Hauptmenüs ausgewählt werden:
Fahrzeug Informationsmenü
Bordcomputer Informationsmenü
Im Uplevel-Kombi-Display können Menüseiten durch Drücken von MENU am
Blinkerhebel ausgewählt werden.
Gilt für: Fahrzeuge mit Navigationssystem
Bei aktiver Zielführung können Sie ein weiteres Ziel eingeben.
Abb. 249 Beispiel: Aktive Zielführung mit Zwischenziel
Voraussetzung: Es wurde bereits ein Ziel eingegeben.
► Drücken Sie die Taste so oft, bis das Menü
Ziel eingeben angezeigt wird Abb.
Es wird kein spezialwerkzeug benötigt.
Erforderliches verschleißteil:
kraftstoffilter für den jeweiligen motor.
Beim kauf baujahr und fahrzeugmodell
angeben.
Der kraftstoffilter sitzt im motorraum in
der kraftstoffzulaufleitung.