Nissan Micra (2002) - Reparaturanleitung: Der generator
Je nach modell und ausstattung können generatoren unterschiedlicher
fabrikate mit leistungen von 35 bis 65 watt eingebaut
sein. Die leistung steht auf dem typschild am generator.
Achtung: wenn nachträglich elektrisches zubehör eingebaut
wird, sollte überprüft werden, ob die bisherige generatorleistung
noch ausreicht, gegebenenfalls stärkeren generator
und größere batterie einbauen.
Der generator wird von der kurbelwelle über den keilriemen
angetrieben. Da die riemenscheibe des generators kleiner
ist als die der kurbelwelle, dreht sich der generatorläufer mit
der erregerwicklung innerhalb der feststehenden ständerwicklung
mit etwa doppelter motordrehzahl.
Über kohlebürsten und schleifringe fließt der erregerstrom
durch die erregerwicklung. Dabei bildet sich ein magnetfeld.
Die lage des magnetischen feldes zur ständerwicklung ändert
sich ständig, entsprechend der umdrehung des läufers.
Dadurch wird in der ständerwicklung ein drehstrom erzeugt.
Da die batterie aber nur mit gleichstrom geladen werden
kann, wird der drehstrom durch dioden in der gleichrichterplatte
in gleichstrom umgewandelt. Der spannungsregler
verändert den ladestrom durch ein- und ausschalten des
erregerstromes, entsprechend dem ladezustand der batterie.
Gleichzeitig hält der regler die betriebsspannung konstant
bei ca. 14 Volt, unabhängig von der drehzahl.
Achtung: den generator gibt es je nach typ auch als austauschteil.
Das bedeutet, daß ein defekter generator unter
umständen bei kauf eines überholten oder neuen generators
vom hersteller in zahlung genommen wird, daher altteil
zum händler mitnehmen.

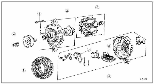
Mitsubishi-generator
- Schraube
- vordere halterung
- läufer
- mutter
- hintere halterung
- ständer
- bürstenhalter
- gleichrichter
Hinweis: in diesem band werden 2 micra-generationen
behandelt. Die micra-generation i kam im märz
'83 in deutschland auf den markt. Im januar '93 wurde
die micra-generation ii eingeführt.
Sicherheitshinweise beim umgang
mit dem drehstromgenerator
- Bei arbeiten an der elektrischen anlage im motorraum
grundsätzlich das batterie-massekabel (-) abklemmen.
Achtung: dadurch werden die elektronischen speicher
gelöscht, wie zum beispiel der motorfehlerspeicher oder
radiocode. Vor dem abklemmen der batterie sollten
auch die hinweise im kapitel "batterie aus- und einbauen
" durchgelesen werden.
- Kabel an spannungsregler und generator nicht vertauschen.
Kabel vor dem abklemmen mit tesaband kennzeichnen.
- Batterie oder spannungsregler nicht bei laufendem motor
abklemmen.
- Generator nicht bei angeschlossener batterie ausbauen.
- Beim elektroschweißen batterie immer abklemmen.
Generatorspannung prüfen
- Voltmeter zwischen plus- und minuspol der batterie anschließen.
- Motor starten. Die spannung darf beim startvorgang bis
8 volt (bei +20 c außentemperatur) absinken.
- Motordrehzahl auf 2.000/Min erhöhen. Beträgt die spannung
zwischen 14,1 bis 14,7 volt, ist dies ein beweis,
daß generator und regler arbeiten. Die generatorspannung
(bordspannung) muß höher als die batteriespannung
sein, damit die batterie im fahrbetrieb wiederaufgeladen
wird.
- Regelstabilität prüfen. Dazu fernlicht einschalten und
messung bei 2.000/Min wiederholen. Die gemessene
spannung darf nicht mehr als 0,4 volt über dem vorher
gemessenen wert liegen.
- Liegen die gemessenen werte außerhalb der sollwerte,
generator von fachwerkstatt überprüfen lassen.
Batterie niemals kurzschließen, das heißt plus- (+) und
minuspol (-) dürfen nicht verbunden werden. Bei kurzschluß
erhitzt sich die batterie und kann platzen. Nicht
mit ...
Ausbau
Batterie-massekabel (-) von der batterie abklemmen.
Achtung: dadurch werden die elektronischen speicher
gelöscht, wie zum beispiel der motorfehlerspeicher oder
radiocode. Vor dem ...
Andere Materialien:
Micra-generation I
Schalttafeleinsatz ausbauen.
Deckglas und obere gehäusehälfte nach lösen der halteklammern abnehmen.
Schrauben - 1 - lösen, um den tachometer auszubauen.
Muttern - 2 - zum ausbau des drehzahlmessers oder kühlmitteltemperaturanzeigers, - 3 - zum ausbau des kraftstoffstandanzeigers oder kühlmitteltemperaturanzeigers, je nach ausstattung, lösen.
Gilt für: Fahrzeuge mit Ptug-in-Hybrid-Antrieb
Allgemeines
Der Plug-in-Hybrid-Antrieb ist ein Antriebskonzept, mit dem Sie zwischen den
Antriebsarten Elektro- und Verbrennungsmotor wählen oder diese kombinieren können.
Alle Arbeiten am Hochvoltsystem dürfen nur von ausgebildeten Hochvolttechnikern
und autorisierten Fachbetrieben gemäß den Audi Richtlinien durchgeführt werden.
Micra-generation I (1,0-l-motor)
Für eine exakte einstellung des unterbrecherkontaktes benutzen die werkstätten ein schließwinkel-meßgerät. Dieses gerät bietet auch den vorteil, daß bei leicht abgebrannten kontaktflächen der schließwinkel dennoch genau eingestellt werden kann.