Nissan Micra (2002) - Reparaturanleitung: Hinterachse
Die micra-hinterachse besteht vornehmlich aus einem
achsrohr, das durch zwei untere längslenker und zwei obere
schräglenker in längs- und querrichtung geführt wird. Bei
micra-modellen der generation ii wurde die querführung
durch einen zusätzlichen panhardstab verbessert. Die abfederung
der hinterachse geschieht bei fahrzeugen der generation
i über federbeine, bei fahrzeugen der generation ii
hingegen sind schraubenfedern und stoßdämpfer voneinander
getrennt angeordnet.
Beim 1,3-l-motor ist zusätzlich ein querstabilisator eingebaut.
Der querstabilisator ist am wagenboden befestigt und
verbindet beide seiten des achsrohrs miteinander. Dadurch
vermindert sich in kurven die aufbauneigung des fahrzeugs.
Bei modellen der generation i sind an den hinterrädern einstellbare
radlager eingebaut, deren lagerspiel regelmäßig
kontrolliert werden muß. In die generation ii wird eine wartungsfreie
radlagereinheit eingebaut, die nach jedem ausbau
komplett ersetzt werden muß.
Hinweis: in diesem band werden 2 micra-generationen
behandelt. Die micra-generation i kam im märz
'83 in deutschland auf den markt. Im januar '93 wurde
die micra-generation ii eingeführt.
Hinterachse, micra-generation I:

- Längslenker
- schräglenker
- stoßdämpfer
- schraubenfeder
- gummianschlag-gehäuse
- gummianschlag
- anschlagsitz
- gummifederteller
- lagerbuchse a
- lagerbuchse b
- abdeckkappe
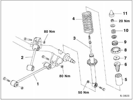
Hinterachse, micra-generation II:
Hinweis: werden lenker oder der panhardstab gelöst, muß
zum endgültigen anziehen der gummilagerungen das fahrzeug
auf den rädern stehen. Für diese arbeiten wird also
entweder eine entsprechende hebebühne oder eine grube
benötigt.

- Hinterachse
- längslenker
- schräglenker
- panhardstab
- stoßdämpfer
- gummianschlag
- staubschutz
- gummianschlag-abdeckung
- lagerbuchsen
- beilegscheibe
- abdeckkappe
- unterer federteller
- schraubenfeder
- oberer federteller
1,3-l-motor:
- stabilisator
- koppelstange
- lagerbuchse
- anbauschelle
Micra-generation I: geteiltes radlager
Sicherungssplint
immer ersetzen.
Kronensicherung
unterlegscheibe
bremsscheibe
radnabe
äußerer dichtring
immer ersetzen.
...
Ausbau
Radmuttern bei auf dem boden stehendem fahrzeug lösen.
Scheibenrad (felge) zur radnabe mit farbe kennzeichnen.
Dadurch kann das ausgewuchtete rad wieder an gleicher stell ...
Andere Materialien:
â–º Um das Fahrzeug anzuhalten, treten Sie das Bremspedal.
► Um die Parkbremse zu schließen, ziehen Sie am Taster
.
► Wählen Sie die Getriebeposition P.
â–º Schalten Sie den Motor aus .
► Drehen Sie das Lenkrad an Steigungen und Gefälle so, dass das Fahrzeug gegen
den Bordstein rollt, falls es sich in Bewegung setzen sollte.
Gilt für: Fahrzeuge mit Telefon
Abb. 236 Zahlen-Speller
Abb. 237 Telefonnummer aus der Anrufliste wählen
► Wählen Sie: Taste > Telefon
linke Steuerungstaste.
Anrufliste
Voraussetzung: Die Anrufliste enthält eine Telefonnummer.
Wird der bisherige keilriemen wieder eingebaut, so ist dieser immer auf verschleiß und beschädigung zu überprüfen. Sind die flanken ausgefranst, risse oder bruchstellen vorhanden, so ist der keilriemen in jedem fall zu ersetzen. Beim auflegen des keilriemens ist darauf zu achten, daß der keilriemen auf allen riemenscheiben richtig aufliegt.